Hive 表
Hive 表
分区表
概念
Hive 中的表对应为 HDFS 上的指定目录,在查询数据时候,默认会对全表进行扫描,这样时间和性能的消耗都非常大。
分区为 HDFS 上表目录的子目录,数据按照分区存储在子目录中。如果查询的 where 子句中包含分区条件,则直接从该分区去查找,而不是扫描整个表目录,合理的分区设计可以极大提高查询速度和性能。
分区表并非 Hive 独有的概念,实际上这个概念非常常见。通常,在管理大规模数据集的时候都需要进行分区,比如将日志文件按天进行分区,从而保证数据细粒度的划分,使得查询性能得到提升。比如,在我们常用的 Oracle 数据库中,当表中的数据量不断增大,查询数据的速度就会下降,这时也可以对表进行分区。表进行分区后,逻辑上表仍然是一张完整的表,只是将表中的数据存放到多个表空间(物理文件上),这样查询数据时,就不必要每次都扫描整张表,从而提升查询性能。
创建分区表
在 Hive 中可以使用 PARTITIONED BY 子句创建分区表。表可以包含一个或多个分区列,程序会为分区列中的每个不同值组合创建单独的数据目录。下面的我们创建一张雇员表作为测试:
CREATE EXTERNAL TABLE emp_partition(
empno INT,
ename STRING,
job STRING,
mgr INT,
hiredate TIMESTAMP,
sal DECIMAL(7,2),
comm DECIMAL(7,2)
)
PARTITIONED BY (deptno INT) -- 按照部门编号进行分区
ROW FORMAT DELIMITED FIELDS TERMINATED BY "\t"
LOCATION '/Hive/emp_partition';加载数据到分区表
加载数据到分区表时候必须要指定数据所处的分区:
# 加载部门编号为 20 的数据到表中
LOAD DATA LOCAL INPATH "/usr/file/emp20.txt" OVERWRITE INTO TABLE emp_partition PARTITION (deptno=20)
# 加载部门编号为 30 的数据到表中
LOAD DATA LOCAL INPATH "/usr/file/emp30.txt" OVERWRITE INTO TABLE emp_partition PARTITION (deptno=30)查看分区目录
这时候我们直接查看表目录,可以看到表目录下存在两个子目录,分别是 deptno=20 和 deptno=30, 这就是分区目录,分区目录下才是我们加载的数据文件。
# Hadoop fs -ls hdfs://hadoop001:8020/Hive/emp_partition/这时候当你的查询语句的 where 包含 deptno=20,则就去对应的分区目录下进行查找,而不用扫描全表。

分桶表
简介
分区提供了一个隔离数据和优化查询的可行方案,但是并非所有的数据集都可以形成合理的分区,分区的数量也不是越多越好,过多的分区条件可能会导致很多分区上没有数据。同时 Hive 会限制动态分区可以创建的最大分区数,用来避免过多分区文件对文件系统产生负担。鉴于以上原因,Hive 还提供了一种更加细粒度的数据拆分方案:分桶表 (bucket Table)。
分桶表会将指定列的值进行哈希散列,并对 bucket(桶数量)取余,然后存储到对应的 bucket(桶)中。
理解分桶表
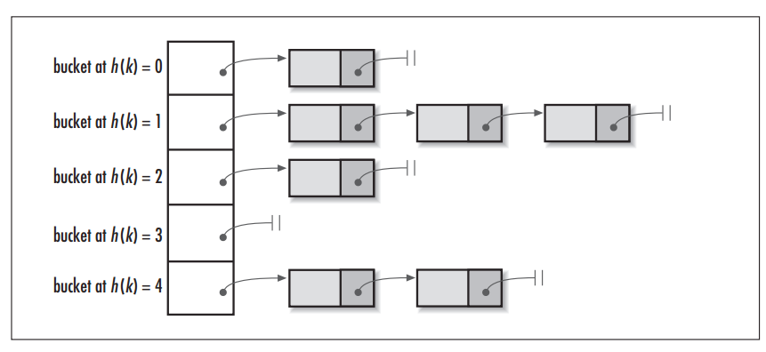
单从概念上理解分桶表可能会比较晦涩,其实和分区一样,分桶这个概念同样不是 Hive 独有的,对于 Java 开发人员而言,这可能是一个每天都会用到的概念,因为 Hive 中的分桶概念和 Java 数据结构中的 HashMap 的分桶概念是一致的。
当调用 HashMap 的 put() 方法存储数据时,程序会先对 key 值调用 hashCode() 方法计算出 hashcode,然后对数组长度取模计算出 index,最后将数据存储在数组 index 位置的链表上,链表达到一定阈值后会转换为红黑树 (JDK1.8+)。下图为 HashMap 的数据结构图:

图片引用自:HashMap vs. Hashtable
创建分桶表
在 Hive 中,我们可以通过 CLUSTERED BY 指定分桶列,并通过 SORTED BY 指定桶中数据的排序参考列。下面为分桶表建表语句示例:
CREATE EXTERNAL TABLE emp_bucket(
empno INT,
ename STRING,
job STRING,
mgr INT,
hiredate TIMESTAMP,
sal DECIMAL(7,2),
comm DECIMAL(7,2),
deptno INT)
CLUSTERED BY(empno) SORTED BY(empno ASC) INTO 4 BUCKETS --按照员工编号散列到四个 bucket 中
ROW FORMAT DELIMITED FIELDS TERMINATED BY "\t"
LOCATION '/Hive/emp_bucket';加载数据到分桶表
这里直接使用 Load 语句向分桶表加载数据,数据时可以加载成功的,但是数据并不会分桶。
这是由于分桶的实质是对指定字段做了 hash 散列然后存放到对应文件中,这意味着向分桶表中插入数据是必然要通过 MapReduce,且 Reducer 的数量必须等于分桶的数量。由于以上原因,分桶表的数据通常只能使用 CTAS(CREATE TABLE AS SELECT) 方式插入,因为 CTAS 操作会触发 MapReduce。加载数据步骤如下:
设置强制分桶
set hive.enforce.bucketing = true; --Hive 2.x 不需要这一步在 Hive 0.x and 1.x 版本,必须使用设置 hive.enforce.bucketing = true,表示强制分桶,允许程序根据表结构自动选择正确数量的 Reducer 和 cluster by column 来进行分桶。
CTAS 导入数据
INSERT INTO TABLE emp_bucket SELECT * FROM emp; --这里的 emp 表就是一张普通的雇员表可以从执行日志看到 CTAS 触发 MapReduce 操作,且 Reducer 数量和建表时候指定 bucket 数量一致:

查看分桶文件
bucket(桶) 本质上就是表目录下的具体文件:

分区表和分桶表结合使用
分区表和分桶表的本质都是将数据按照不同粒度进行拆分,从而使得在查询时候不必扫描全表,只需要扫描对应的分区或分桶,从而提升查询效率。两者可以结合起来使用,从而保证表数据在不同粒度上都能得到合理的拆分。下面是 Hive 官方给出的示例:
CREATE TABLE page_view_bucketed(
viewTime INT,
userid BIGINT,
page_url STRING,
referrer_url STRING,
ip STRING )
PARTITIONED BY(dt STRING)
CLUSTERED BY(userid) SORTED BY(viewTime) INTO 32 BUCKETS
ROW FORMAT DELIMITED
FIELDS TERMINATED BY '\001'
COLLECTION ITEMS TERMINATED BY '\002'
MAP KEYS TERMINATED BY '\003'
STORED AS SEQUENCEFILE;此时导入数据时需要指定分区:
INSERT OVERWRITE page_view_bucketed
PARTITION (dt='2009-02-25')
SELECT * FROM page_view WHERE dt='2009-02-25';